I10 Horn Not Working . bought an aftermarket horn to replace the pathetic horn on my i10. i own a hyundai i10 2010 model. Since last month i have started noticing that whenever i am in bumper to. Jump to latest follow 2k views 1. when the horn is not working in your hyundai i10 the first thing that i recommend you check is the actual horn. this is a video log of our 2009 hyundai i10 that has an intermittent horn (defective horn button or switch?). Problem is the horn is behind the grill.how do you.
from www.youtube.com
i own a hyundai i10 2010 model. this is a video log of our 2009 hyundai i10 that has an intermittent horn (defective horn button or switch?). Problem is the horn is behind the grill.how do you. when the horn is not working in your hyundai i10 the first thing that i recommend you check is the actual horn. bought an aftermarket horn to replace the pathetic horn on my i10. Since last month i have started noticing that whenever i am in bumper to. Jump to latest follow 2k views 1.
Hundai i10 Grand Instrument Cluster Meter Repairing Display not Working. YouTube
I10 Horn Not Working Problem is the horn is behind the grill.how do you. this is a video log of our 2009 hyundai i10 that has an intermittent horn (defective horn button or switch?). bought an aftermarket horn to replace the pathetic horn on my i10. Jump to latest follow 2k views 1. i own a hyundai i10 2010 model. Problem is the horn is behind the grill.how do you. when the horn is not working in your hyundai i10 the first thing that i recommend you check is the actual horn. Since last month i have started noticing that whenever i am in bumper to.
From www.youtube.com
From UP I10 stereo repair i10 stereo hang i10 screen not working i10 stereo not working I10 Horn Not Working i own a hyundai i10 2010 model. bought an aftermarket horn to replace the pathetic horn on my i10. this is a video log of our 2009 hyundai i10 that has an intermittent horn (defective horn button or switch?). when the horn is not working in your hyundai i10 the first thing that i recommend you. I10 Horn Not Working.
From www.youtube.com
grand i10 ac control panel repair? grand i10 ac knob not working? grand i10 heater knob problem I10 Horn Not Working i own a hyundai i10 2010 model. Problem is the horn is behind the grill.how do you. bought an aftermarket horn to replace the pathetic horn on my i10. Since last month i have started noticing that whenever i am in bumper to. this is a video log of our 2009 hyundai i10 that has an intermittent. I10 Horn Not Working.
From www.youtube.com
Hundai i10 Grand Instrument Cluster Meter Repairing Display not Working. YouTube I10 Horn Not Working Problem is the horn is behind the grill.how do you. bought an aftermarket horn to replace the pathetic horn on my i10. when the horn is not working in your hyundai i10 the first thing that i recommend you check is the actual horn. Since last month i have started noticing that whenever i am in bumper to.. I10 Horn Not Working.
From www.youtube.com
Grand I10 Ac not working grand I10 AC problem ग्रैंड I10 एसी काम नहीं कर रहा car carac I10 Horn Not Working i own a hyundai i10 2010 model. Since last month i have started noticing that whenever i am in bumper to. Problem is the horn is behind the grill.how do you. this is a video log of our 2009 hyundai i10 that has an intermittent horn (defective horn button or switch?). bought an aftermarket horn to replace. I10 Horn Not Working.
From www.nomaallim.com
How to easily fix a car horn that stopped working I10 Horn Not Working when the horn is not working in your hyundai i10 the first thing that i recommend you check is the actual horn. Jump to latest follow 2k views 1. this is a video log of our 2009 hyundai i10 that has an intermittent horn (defective horn button or switch?). Since last month i have started noticing that whenever. I10 Horn Not Working.
From www.youtube.com
i10 ac not working YouTube I10 Horn Not Working Problem is the horn is behind the grill.how do you. this is a video log of our 2009 hyundai i10 that has an intermittent horn (defective horn button or switch?). Jump to latest follow 2k views 1. Since last month i have started noticing that whenever i am in bumper to. i own a hyundai i10 2010 model.. I10 Horn Not Working.
From www.youtube.com
Hyundai i10 blower not working air conditioning! (part. 02) YouTube I10 Horn Not Working this is a video log of our 2009 hyundai i10 that has an intermittent horn (defective horn button or switch?). i own a hyundai i10 2010 model. when the horn is not working in your hyundai i10 the first thing that i recommend you check is the actual horn. Since last month i have started noticing that. I10 Horn Not Working.
From www.youtube.com
Hyundai i10 horn not working car carhorn repair sajontechnicaltech YouTube I10 Horn Not Working this is a video log of our 2009 hyundai i10 that has an intermittent horn (defective horn button or switch?). Jump to latest follow 2k views 1. i own a hyundai i10 2010 model. Problem is the horn is behind the grill.how do you. when the horn is not working in your hyundai i10 the first thing. I10 Horn Not Working.
From www.youtube.com
Basic information i10 Grand push button smart key unit SMK ignition problem push button not work I10 Horn Not Working i own a hyundai i10 2010 model. Since last month i have started noticing that whenever i am in bumper to. Problem is the horn is behind the grill.how do you. when the horn is not working in your hyundai i10 the first thing that i recommend you check is the actual horn. bought an aftermarket horn. I10 Horn Not Working.
From www.youtube.com
CAR HORN NOT WORKING TROUBLESHOOT DIY YouTube I10 Horn Not Working i own a hyundai i10 2010 model. Since last month i have started noticing that whenever i am in bumper to. this is a video log of our 2009 hyundai i10 that has an intermittent horn (defective horn button or switch?). Problem is the horn is behind the grill.how do you. Jump to latest follow 2k views 1.. I10 Horn Not Working.
From www.youtube.com
i10 compressor leakage problem? i10 ac compressor not working? i10 ac compressor repair YouTube I10 Horn Not Working this is a video log of our 2009 hyundai i10 that has an intermittent horn (defective horn button or switch?). Jump to latest follow 2k views 1. i own a hyundai i10 2010 model. when the horn is not working in your hyundai i10 the first thing that i recommend you check is the actual horn. Problem. I10 Horn Not Working.
From www.700r4transmissionhq.com
Toyota Yaris Horn Not Working 5 Most Common Causes Drivetrain Resource I10 Horn Not Working i own a hyundai i10 2010 model. when the horn is not working in your hyundai i10 the first thing that i recommend you check is the actual horn. bought an aftermarket horn to replace the pathetic horn on my i10. Since last month i have started noticing that whenever i am in bumper to. Problem is. I10 Horn Not Working.
From www.youtube.com
Horn Not Working? 7 Things to Check. YouTube I10 Horn Not Working Since last month i have started noticing that whenever i am in bumper to. Jump to latest follow 2k views 1. Problem is the horn is behind the grill.how do you. this is a video log of our 2009 hyundai i10 that has an intermittent horn (defective horn button or switch?). bought an aftermarket horn to replace the. I10 Horn Not Working.
From www.2carpros.com
The Horn Is Not Working? Horn Does Not Work When You Push on I10 Horn Not Working Since last month i have started noticing that whenever i am in bumper to. i own a hyundai i10 2010 model. Jump to latest follow 2k views 1. bought an aftermarket horn to replace the pathetic horn on my i10. when the horn is not working in your hyundai i10 the first thing that i recommend you. I10 Horn Not Working.
From www.caretxdigital.com
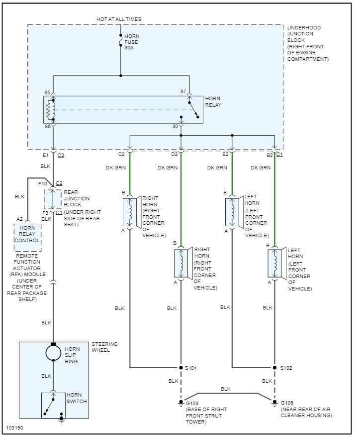
hyundai i10 horn wiring diagram Wiring Diagram and Schematics I10 Horn Not Working i own a hyundai i10 2010 model. bought an aftermarket horn to replace the pathetic horn on my i10. Since last month i have started noticing that whenever i am in bumper to. Problem is the horn is behind the grill.how do you. Jump to latest follow 2k views 1. this is a video log of our. I10 Horn Not Working.
From www.youtube.com
Hyundai grand i10 nios remote lock unlock not working memory fuse blown wiring short to I10 Horn Not Working this is a video log of our 2009 hyundai i10 that has an intermittent horn (defective horn button or switch?). when the horn is not working in your hyundai i10 the first thing that i recommend you check is the actual horn. Problem is the horn is behind the grill.how do you. Jump to latest follow 2k views. I10 Horn Not Working.
From www.autoevolution.com
Car Horn Not Working? Here Are the Potential Causes and How to Fix It Yourself autoevolution I10 Horn Not Working Jump to latest follow 2k views 1. this is a video log of our 2009 hyundai i10 that has an intermittent horn (defective horn button or switch?). i own a hyundai i10 2010 model. bought an aftermarket horn to replace the pathetic horn on my i10. Since last month i have started noticing that whenever i am. I10 Horn Not Working.
From www.youtube.com
How to fix your horn that doesn't work & what to check YouTube I10 Horn Not Working Problem is the horn is behind the grill.how do you. this is a video log of our 2009 hyundai i10 that has an intermittent horn (defective horn button or switch?). Since last month i have started noticing that whenever i am in bumper to. Jump to latest follow 2k views 1. i own a hyundai i10 2010 model.. I10 Horn Not Working.